Мотор-редукторы серии ПР (Аналог серии К) по выгодной цене от производителя в Миассе

Мотор-редукторы серии ПР (Аналог серии К)

Возможна поставка только редукторной части без электродвигателя. Уточняйте у менеджеров более подробную информацию.

Коническо-цилиндрические мотор-редукторы серии ПР3 (аналог серии К) — это высокоэффективные приводы, сочетающие компактные размеры, надежность и высокие передаточные характеристики.

Они применяются в самых разных отраслях промышленности, где требуется надежная передача мощности в условиях ограниченного пространства.

Полный аналог редукторов мировых брендов

  • 95% совместимость без доработок
  • Цена выгоднее на 30-40%
  • Срок производства 3-7 дней
Посмотреть все аналоги
Опросный лист
Мотор-редукторы серии ПР (Аналог серии К)
Срочный подбор, расчет и замена старого редуктора. <b>Без простоев и переплат</b>

Срочный подбор, расчет и замена старого редуктора. Без простоев и переплат

<b>Гарантия до 24 месяцев</b> и постпродажное обслуживание редуктора

Гарантия до 24 месяцев и постпродажное обслуживание редуктора

<b>Срок изготовления от 3х дней.</b> Бесплатная доставка до терминала ТК

Срок изготовления от 3х дней. Бесплатная доставка до терминала ТК

Товары
Таблица выбора и технические характеристики
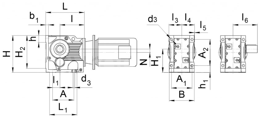
Габаритные и присоединительные размеры
Условные обозначения
3D модель
Мотор-редукторы серии ПР (Аналог серии К)

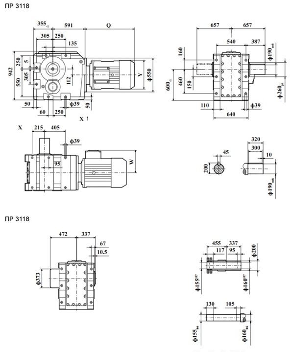
Мотор-редукторы ПР 3118

Мощность двигателя: от 15 до 200 кВт
Обороты на выходе n вых: от 5.4 до 86 об/мин
Крутящий момент на вых. валу Тном: от 14600 до 62800 Нхм
Передаточное число: от 17.2 до 179.9 U

Мотор-редукторы ПР 3116

Мощность двигателя: от 7.5 до 200 кВт
Обороты на выходе n вых: от 4.4 до 86 об/мин
Крутящий момент на вых. валу Тном: от 9850 до 39500 Нхм
Передаточное число: от 17.3 до 164.5 U

Мотор-редукторы ПР 3115

Мощность двигателя: от 5.5 до 200 кВт
Обороты на выходе n вых: от 4.7 до 117 об/мин
Крутящий момент на вых. валу Тном: от 4510 до 22100 Нхм
Передаточное число: от 12.7 до 150.4 U

Мотор-редукторы ПР 3112

Мощность двигателя: от 4 до 90 кВт
Обороты на выходе n вых: от 5.2 до 171 об/мин
Крутящий момент на вых. валу Тном: от 2090 до 15200 Нхм
Передаточное число: от 8.7 до 146.1 U

Мотор-редукторы ПР 3110

Мощность двигателя: от 1.5 до 45 кВт
Обороты на выходе n вых: от 4.9 до 169 об/мин
Крутящий момент на вых. валу Тном: от 1430 до 8920 Нхм
Передаточное число: от 8.7 до 143.5 U

Мотор-редукторы ПР 313

Мощность двигателя: от 0.12 до 3 кВт
Обороты на выходе n вых: от 8.2 до 263 об/мин
Крутящий момент на вых. валу Тном: от 10 до 250 Нхм
Передаточное число: от 5.4 до 106.4 U

Мотор-редукторы ПР 314

Мощность двигателя: от 0.12 до 3 кВт
Обороты на выходе n вых: от 6.6 до 241 об/мин
Крутящий момент на вых. валу Тном: от 101 до 425 Нхм
Передаточное число: от 5.8 до 131.9 U

Мотор-редукторы ПР 315

Мощность двигателя: от 0.12 до 5.5 кВт
Обороты на выходе n вых: от 6 до 218 об/мин
Крутящий момент на вых. валу Тном: от 49 до 685 Нхм
Передаточное число: от 6.6 до 145.1 U

Мотор-редукторы ПР 316

Мощность двигателя: от 0.12 до 5.5 кВт
Обороты на выходе n вых: от 5.5 до 196 об/мин
Крутящий момент на вых. валу Тном: от 9 до 910 Нхм
Передаточное число: от 7.3 до 144.8 U

Мотор-редукторы ПР 317

Мощность двигателя: от 0.25 до 11 кВт
Обороты на выходе n вых: от 4.4 до 199 об/мин
Крутящий момент на вых. валу Тном: от 365 до 1820 Нхм
Передаточное число: от 7.2 до 192.2 U

Мотор-редукторы ПР 318

Мощность двигателя: от 0.37 до 22 кВт
Обороты на выходе n вых: от 3.9 до 203 об/мин
Крутящий момент на вых. валу Тном: от 525 до 3210 Нхм
Передаточное число: от 7.2 до 197.4 U

Мотор-редукторы ПР 319

Мощность двигателя: от 0.75 до 30 кВт
Обороты на выходе n вых: от 3.9 до 169 об/мин
Крутящий момент на вых. валу Тном: от 1050 до 5150 Нхм
Передаточное число: от 8.7 до 176.1 U
Тип
Коническо-цилиндрический
Выбрать...
Габарит редуктора
ПР 3110
ПР 3110 ПР 117
ПР 3112
ПР 3112 ПР 117
ПР 3112 ПР 118
ПР 3115
ПР 3115 ПР 1110
ПР 3115 ПР 119
ПР 3116
ПР 3116 ПР 1110
ПР 3116 ПР 119
ПР 3118
ПР 3118 ПР 1110
ПР 3118 ПР 119
ПР 313
ПР 314
ПР 314 ПР 113
ПР 315
ПР 315 ПР 113
ПР 316
ПР 316 ПР 113
ПР 317
ПР 317 ПР 113
ПР 318
ПР 318 ПР 115
ПР 319
ПР 319 ПР 115
Выбрать...
Мощность двигателя, кВт
От
До
Обороты на выходе n вых, об/мин
От
До
Крутящий момент на вых. валу Тном, Нхм
От
До
Передаточное число, U
От
До
Консольная нагрузка Fном, Н
От
До
Сервис-фактор, Sfном
От
До
Обороты двигателя n вх, об/мин
От
До

Foto_31_11

Габарит редуктора

L

L1

L2

l

l1

l2

l3

l4

l5

l6

l7

H

H1

ПР 313

210 147 - 139 35 97 60 60 2,5 110 84 164

100-0,5

ПР 314

243 170 - 166 40 115 75 75 3 135 100 185

112-0,5

ПР 314 / 113

243 170 165 166 40 115 75 75 3 135 100 185

112-0,5

ПР 315

269 182 - 173 47 120 83 83 3 153 106,5 215

132-0,5

ПР 315 / 113

269 182 165 173 47 120 83 83 3 153 106,5 215

132-0,5

ПР 316

274 182 - 179 42 125 90 90 3,5 171 113 226

140-0,5

ПР 316 / 113

274 182 165 179 42 125 90 90 3,5 171 113 226

140-0,5

ПР 317

312 204 - 202 48 139 105 105 4 206 142 286

180-0,5

ПР 317 / 113

312 204 157 202 48 139 105 105 4 206 142 286

180-0,5

ПР 318

390 280 - 257 65 190 120 120 4 240 150 338

212-0,5

ПР 318 / 115

390 280 187 257 65 190 120 120 4 240 150 338

212-0,5

ПР 319

435 298 - 277 83 190 150 150 4 291 191,5 414

265-1,0

ПР 319 / 115

435 298 187 277 83 190 150 150 4 291 191,5 414

265-1,0

ПР 3110

537 370 - 341 100 230 175 175 4,5 347 216 500

315-1,0

ПР 3110 / ПР 117

537 370 247 341 100 230 175 175 4,5 347 216 500

315-1,0

ПР 3112

615 440 - 390 115 - 205 205 2,5 418 256 592

375-1,0

ПР 3112 / ПР 117

615 440 232 390 115 - 205 205 2,5 418 256 592

375-1,0

ПР 3112 / ПР 118

615 440 280 390 115 - 205 205 2,5 418 256 592

375-1,0

ПР 3115

706 480 - 426 140 - 250 250 3 457 310 705

450-1,0

ПР 3115 / ПР 119

706 480 325 426 140 - 250 250 3 457 310 705

450-1,0

ПР 3115 / ПР 1110

706 480 382 426 140 - 250 250 3 457 310 705

450-1,0

Габарит редуктора

A

A1

B

N

D

d

b

d1

4 отв. d2

8 отв. d2

m x n

p x q

ПР 313

117 60 100 8,5 160 110j6 10 130 9 - М10 х 20 М8 х 12

ПР 314

140 70 110 7,2 200 130j6 10 165 11 - М10 х 20 М8 х 12

ПР 315

152 88 122 13,1 250 180j6 15 215 13,5 - М12 х 25 М12 х 20

ПР 316

152 88 130 20 250 180j6 15 215 13,5 - М12 х 25 М12 х 20

ПР 317

170 102 154 31,3 300 230j6 16 265 13,5 - М16 х 32 М12 х 20

ПР 318

225 118 170 25,9 350 250h6 18 300 17,5 - М16 х 32 М16 х 26

ПР 319

248 160 226 32,3 450 350h6 22 400 - 17,5 М20 х 36 М16 х 26

ПР 3110

290 190 266 52 450 350h6 25 400 - 17,5 М24 х 44 М20 х 30

ПР 3112

350 330 400 53 550 430h6 22 500 - 17.5 - М20 х 28

ПР 3115

380 420 500 71,7 660 530h6 28 600 - 22 - M24 х 36

- корпус В

Foto_31_12

Габарит редуктора

L

L1

l

l1

l3

l4

l5

l6

b1

d3

ПР 313

202 143 139 28 60 60 - 110 16 11

ПР 314

237 162 166 35 78 75 3 135 18 11

ПР 315

253 172 173 30 86 83 3 153 21 13,5

ПР 316

269 170 179 30 93 90 3,5 171 24 13,5

ПР 317

314 208 202 40 108 105 4 206 27 17,5

ПР 318

389 260 257 55 123 120 4 240 32 22

ПР 319

437 294 277 75 153 150 4 291 36 26

ПР 3110

541 380 341 95 178 175 2,5 347 40 33

Габарит редуктора

A

A1

A2

B

H

H1

H2

h

h1

N

ПР 313

110 100 115 120 165 100 150 37 32 8,5

ПР 314

130 120 130 145 185 112 170 37 37 7,2

ПР 315

130 130 150 157 217 132 190 43 45 13,1

ПР 316

120 140 160 170 228 140 203 43 45 20

ПР 317

150 165 200 200 288 180 263 55 55 31,5

ПР 318

180 180 233 230 340 212 305 67 70 25,9

ПР 319

240 240 295 290 417 265 372 82 75 32,3

ПР 3110

280 270 360 340 506 315 448 98 95 52

- цилиндрический выходной вал (полый, цельный)

Foto_31_13

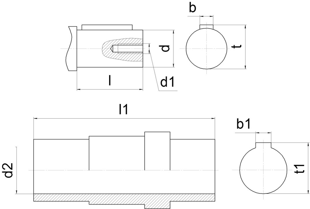
Габарит редуктора

l

d

d1

b

t

l1

d2

b1

t1

ПР 313

корпус А / корпус В

50 25k6 M10 х 25 8 28 120 30H7 / 25Н7 8 33.3 / 28

ПР 314

60 30k6 M12 х 30 8 33 150 35H7 10 38.3

ПР 315

70 35k6 M16 х 40 10 38 166 40H7 12 43.3

ПР 316

80 40k6 M16 х 40 12 43 180 40H7 12 43.3

ПР 317

100 50k6 M16 х 45 14 53.5 210 50H7 14 53.8

ПР 318

120 60m6 M20 х 50 18 64 240 60H7 18 64.4

ПР 319

140 70m6 M20 х 50 20 74.5 300 70H7 20 74.9

ПР 3110

170 90m6 M24 х 60 25 95 350 90H7 25 95.4

ПР 3112

210 110m6 М24 x 60 28 116 410 100Н7 28 106,4

ПР 3115

210 120m6 М24 х 60 32 127 500 120Н7 32 127,4

- полый выходной вал со шлицевым пазом

Foto_31_14

Габарит редуктора

l

l1

l2

l3*

d1*

H*

dH*

S*

ПР 313

120 18 25 85

37+0,1

30х1,25х30х22

33,03 -0,03

М10

ПР 314

150 18 32 115

37+0,1

35х2х30х16

38,92 -0,03

М10

ПР 315

166 18 32 130

37+0,1

35х2х30х16

38,92 -0,03

М10

ПР 316

180 25 42 130

47+0,1

45х2х30х21

48,85 -0,03

М16

ПР 317

210 23 52 160

55+0,1

50х2х30х24

54,13 -0,03

М16

ПР 318

240 25 62 180

72+0,1

65х2х30х31

68,96 -0,03

М20

ПР 319

300 25 72 240

72+0,1

70х2х30х34

74,15 -0,03

М20

ПР 3110

350 26 89 290

90+0,1

85х3х30х27

90,99 -0,03

М20

*размер для справки, вал в комплект поставки не входит

- полый гладкий выходной вал со стяжной муфтой

Foto_31_15

Габарит редуктора

l

l1

l2

d

d1

l3*

l4*

d2*

ПР 313

146 20 31 30Н7 45 25 36 30h6

ПР 314

177 20 32 35Н7 50 25 37 35h6

ПР 315

195 20 26 40Н7 55 25 31 40h6

ПР 316

208 20 38 40Н7 55 25 43 40h6

ПР 317

241 30 36 50Н7 70 35 41 50h6

ПР 318

281 40 41 65Н7 85 45 46 65h6

ПР 319

345 50 55 75Н7 95 55 60 75h6

ПР 3110

405 60 65 95Н7 118 70 75 95h6

ПР 3112

485 70 85 105Н7 135 80 90 105h6

ПР 3115

580 80 90 125Н7 155 90 100 125h6

*размер для справки, вал в комплект поставки не входит

- размеры крепежных отверстий на выходном валу редукторов

Foto_31_16

- размеры реактивной тяги

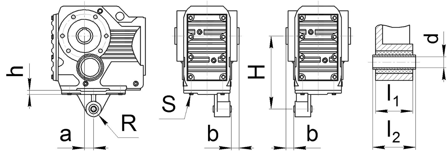
Foto_31_17

Габарит редуктора

a

b

H

h

R

S

l1

l2

d

ПР 313

23,5 20 140 10 22,5 М10 х 25 31

36-0,3

10,4+0,1

ПР 314

30 20 160 12 22,5 М10 х 30 31

36-0,3

10,4+0,1

ПР 315

40 18 192 13 29 М12 х 35 54

60-0,3

16,4+0,08

ПР 316

45 25 200 13 29 М12 х 35 54

60-0,3

16,4+0,08

ПР 317

52,5 25 250 14 29 М16 х 40 54

60-0,3

16,4+0,08

ПР 318

60 30 300 16 41 М16 х 45 72

80-0,3

25+0,08

ПР 319

70 40 350 17 41 М20 х 50 92

100-0,3

25+0,08

ПР 3110

74 45 450 20 41 М24 х 60 92

100-0,3

25+0,08

ПР 3112

60 0 550 45 70 М36 х 130 110

126-0,3

40+0,08

ПР 3115

50 0 700 45 70 М36 х 130 110

126-0,3

40+0,08

Foto_31_18

Габарит редуктора

a

b

H

h

R

S

l1

l2

d

ПР 3112

60 0 550 45 70 М36 х 130 110

126-0,3

40+0,08

ПР 3115

50 0 700 45 70 М36 х 130 110

126-0,3

40+0,08

- размеры присоединительных фланцев под двигатель

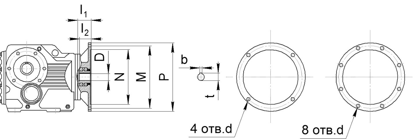
Foto_31_19

Габарит

PAM

(* может выступать

за габарит редуктора)

N

M

P

D

l1

l2

t

b

4 отв. d

8 отв. d

ПР 313 63B5 95 115 140 11 50 23 12.8 4 M8 -
ПР 313 71B5* 110 130 160 14 54 30 16.3 5 M8 -
ПР 313 80B5* 130 165 200 19 69 40 21.8 6 M10 -
ПР 313 90B5* 130 165 200 22/24 69 50 24,5/27.3 6/8 M10 -
ПР 314 63B5 95 115 140 11 50 23 12.8 4 M8 -
ПР 314 71B5 110 130 160 14 54 30 16.3 5 M8 -
ПР 314 80B5 130 165 200 19 69 40 21.8 6 M10 -
ПР 314 90B5 130 165 200 22/24 69 50 24,5/27.3 6/8 M10 -
ПР 314 100B5 *112B5* 180 215 250 28 81 60 31.3 8 M12 -
ПР 315 63B5 95 115 140 11 50 23 12.8 4 M8 -
ПР 315 71B5 110 130 160 14 54 30 16.3 5 M8 -
ПР 315 80B5 130 165 200 19 69 40 21.8 6 M10 -
ПР 315 90B5 130 165 200 22/24 69 50 24,5/27.3 6/8 M10 -
ПР 315 100B5 *112B5* 180 215 250 28 81 60 31.3 8 M12 -
ПР 316 63B5 95 115 140 11 50 23 12.8 4 M8 -
ПР 316 71B5 110 130 160 14 54 30 16.3 5 M8 -
ПР 316 80B5 130 165 200 19 69 40 21.8 6 M10 -
ПР 316 90B5 130 165 200 22/24 69 50 24,5/27.3 6/8 M10 -
ПР 316 100B5 *112B5* 180 215 250 28 81 60 31.3 8 M12 -
ПР 317 63B5 95 115 140 11 54 23 12.8 4 M8 -
ПР 317 71B5 110 130 160 14 54 30 16.3 5 M8 -
ПР 317 80B5 130 165 200 19 69 40 21.8 6 M10 -
ПР 317 90B5 130 165 200 22/24 69 50 24,5/27.3 6/8 M10 -
ПР 317 100B5* 112B5* 180 215 250 28 81 60 31.3 8 M12 -
ПР 317 132B5* 230 265 300 38 92 80 41.3 10 M12 -
ПР 318 80B5 130 165 200 19 69 40 21.8 6 M10 -
ПР 318 90B5 130 165 200 22/24 69 50 24,5/27.3 6/8 M10 -
ПР 318 100B5112B5 180 215 250 28 81 60 31.3 8 M12 -
ПР 318 132B5 230 265 300 38 92 80 41.3 10 M12 -
ПР 318 160B5* 250 300 350 42 125 110 45.3 12 M16 -
ПР 318 180B5* 250 300 350 48 125 110 51.8 14 M16 -
ПР 319 100B5112B5 180 215 250 28 81 60 31.3 8 M12 -
ПР 319 132B5 230 265 300 38 92 80 41.3 10 M12 -
ПР 319 160B5 250 300 350 42 125 110 45.3 12 M16 -
ПР 319 180B5 250 300 350 48 125 110 51.8 14 M16 -
ПР 319 200B5* 300 350 400 55 144 110 59.3 16 M16 -
ПР 319 225B5* 350 400 450 60 159 140 64.4 18 M16 -
ПР 3110 100B5112B5 180 215 250 28 81 60 31.3 8 M12 -
ПР 3110 132B5 230 265 300 38 92 80 41.3 10    
ПР 3110 160B5 250 300 350 42 125 110 45.3 12 M16 -
ПР 3110 180B5 250 300 350 48 51.8 14        
ПР 3110 200B5 300 350 400 55 144 59.3 16      
ПР 3110 225B5 350 400 450 60 159 140 64.4 18 - M16
ПР 3112 132B5 230 265 300 38 92 80 41.3 10 M12 -
ПР 3112 160B5 250 300 350 42 125 110 45.3 12 M16 -
ПР 3112 180B5 250 300 350 48 51.8 14        
ПР 3112 200B5 300 350 400 55 144 59.3 16      
ПР 3112 225B5 350 400 450 60 159 140 64.4 18 - M16
ПР 3112 250B5 450 500 550 65 336   69.4      
ПР 3112 280B5 75     79.9 20          
ПР 3115 160B5 250 300 350 42 125 110 45.3 12 M16 -
ПР 3116 180B5 250 300 350 48 125 110 51.8 14 M16 -
ПР 3118 200B5 300 350 400 55 144 110 59.3 16 M16 -
ПР 3115 225B5 350 400 450 60 254 140 64.4 18 M16 -
ПР 3116 250B5 450 500 550 65 328 140 69.4 18 M16 -
ПР 3118 280B5 450 500 550 75 328 140 79.9 20 M16 -

- размеры цилиндрического входного вала

Foto_31_20

G2

K2

D1

L1

L13

L14

T1

U1

M

ПР 313 AD1 120 102 16 40 4 32 18 5 M5
ПР 313 AD2 120 130 19 40 4 32 21,5 6 M6
ПР 314
ПР 315
ПР 316
AD2 160 123 19 40 4 32 21,5 6 M6
ПР 314
ПР 315
ПР 316
AD3 160 159 24 50 5 40 27 8 M8
ПР 317 AD2 200 116 19 40 4 32 21,5 6 M6
ПР 317 AD3 200 151 24 50 5 40 27 8 M8
ПР 317 AD4 200 224 38 80 5 70 41 10 M12
ПР 318 AD2 250 111 19 40 4 32 21,5 6 M6
ПР 318 AD3 250 165 28 60 5 50 31 8 M10
ПР 318 AD4 250 219 38 80 5 70 41 10 M12
ПР 318 AD5 250 292 42 110 10 70 45 12 M16
ПР 319 AD3 300 151 28 60 5 50 31 8 M10
ПР 319 AD4 300 214 38 80 5 70 41 10 M12
ПР 319 AD5 300 287 42 110 10 70 45 12 M16
ПР 319 AD6 300 324 48 110 10 80 51,5 14 M16
ПР 3110 AD3 350 145 28 60 5 50 31 8 M10
ПР 3110 AD4 350 208 38 80 5 70 41 10 M12
ПР 3110 AD5 350 281 42 110 10 70 45 12 M16
ПР 3110 AD6 350 321 48 110 10 80 51,5 14 M16
ПР 3112 AD4 450 193 38 80 5 70 41 10 М12
ПР 3112 AD5 450 266 42 110 10 70 45 12 М16
ПР 3112 AD6 450 306 48 110 10 80 51,5 14 М16
ПР 3112 AD7 450 345 55 110 10 90 59 16 М20
ПР 3112 AD8 450 383 70 140 15 110 74,5 20 М20
ПР 3115
ПР 3116
ПР 3118
AD5 550 258 42 110 10 70 45 12 М16
ПР 3115
ПР 3116
ПР 3118
AD6 550 298 48 110 10 80 51,5 14 М16
ПР 3115
ПР 3116
ПР 3118
AD7 550 292 55 110 10 90 59 16 М20
ПР 3115
ПР 3116
ПР 3118
AD8 550 374 70 140 15 110 74,5 20 М20

- размеры малого выходного фланца

Foto_31_21

Габарит редуктора

d D b n m

ПР 313

80j6 110 11,5 12 M8

ПР 314

80j6 120 11 12 M8

ПР 315

105j6 155 12 20 M12

ПР 316

105j6 155 12 20 M12

ПР 317

125j6 170 14 20 M12

ПР 318

155j6 215 15 26 M16

ПР 319

180j6 260 18 26 M16

ПР 3110

210j6 304 22 30 M20

ПР 3112

250j6 350 30 28 M20

ПР 3115

290j6 400 28 36 M24

Foto_31_22

Габаритные и присоединительные размеры ПР 3116-ПР 3118

Foto_31_23

Foto_31_24

Условные обозначения

Мотор-редуктор ПР 318 (Ц)-27,88-51-5,5*1500.M1.SS1.F1.TA1

ПР318

(Ц)

27,88

51

5,5*1500

M1

SS1

F1

TA1

Модель и типоразмер редуктора Исполнение вала редуктора Передаточное число Обороты на выходном валу редуктора Nвых, об/мин Мощность и обороты электродвигателя Монтажное исполнение Направление выходного вала Направление выходного фланца Исполнение с резиновым буфером

Модели редукторов

Модель

редуктора

Особенности исполнения

ПР 31 (Ц)

Foto_31

Выходной цилиндрический вал

Монтаж редуктора c помощью крепежных отверстий на корпусе редуктора

ПР 31 (П)

Foto_32

Полый выходной вал со шпоночным пазом

Монтаж редуктора c помощью крепежных отверстий на корпусе редуктора, либо на вал оборудования

ПР 31 (ФЦ)

Foto_33

Выходной цилиндрический вал

Монтаж редуктора с помощью фланца на выходном валу (типоразмер выходного фланца B5)

ПР 31 (ФП)

Foto_34

Полый выходной вал со шпоночным пазом

Монтаж редуктора с помощью фланца на выходном валу (типоразмер выходного фланца B5)

ПР 31..ПР 11

Foto_35

На редуктор установлен цилиндрический мотор-редукторсерии ПР 11 (вместо электродвигателя)

Монтажные положение и места установки сапунов

Foto_36

Стандартный корпус

Символ

Расшифровка

Foto_5 Сапун
Foto_6 Смотровое окно
Foto_7 Маслосливная пробка

Foto_37

Корпус В

Символ

Расшифровка

Foto_5 Сапун
Foto_6 Смотровое окно
Foto_7 Маслосливная пробка

Foto_38

Редукторы ПР3116 и ПР3118

Символ

Расшифровка

Foto_5 Сапун
Foto_6 Смотровое окно
Foto_7 Маслосливная пробка

Foto_39

Общее описание и применение

Мотор-редукторы серии ПР3 (аналог серии К) представляют собой коническо-цилиндрические редукторы с жесткой зубчатой передачей, обеспечивающей высокий КПД и долговечность работы.

Их конструкция позволяет передавать высокий крутящий момент при минимальных энергопотерях, что делает их эффективным решением для промышленных задач.

Применение мотор-редукторов серии ПР3:

  • Конвейерные системы — используются для привода ленточных и роликовых транспортеров.
  • Металлургическая и горнодобывающая промышленность — применяются в дробильном и сортировочном оборудовании.
  • Сельскохозяйственная техника — необходимы в зерносушилках, кормораздатчиках и мельницах.
  • Лифтовое и подъемное оборудование — требуются в приводах лебедок и подъемников.
  • Производственные линии — применяются в упаковочном, смесительном и перерабатывающем оборудовании

Благодаря высокой эффективности, прочному корпусу и удобству монтажа редукторы этой серии успешно применяются в сложных условиях эксплуатации.

Эксплуатационные характеристики

Мотор-редукторы серии ПР3 (аналог К) обладают отличными техническими характеристиками, которые обеспечивают их надежную работу:

  • Передаточные числа – от 5,36 до 17550
  • Крутящий момент – до 62800 Н·м
  • Мощность двигателей – от 0,12 до 200 кВт
  • Материал корпуса – чугун (литье повышенной прочности).
  • Способы установки – на лапах, фланцевый или насадной монтаж.
  • Система смазки — жидкостная (с минеральными маслами), увеличивающая срок службы.

Конструкция редукторов минимизирует потери энергии и снижает уровень шума при эксплуатации, что делает их оптимальным выбором для промышленных предприятий.

Преимущества использования

Выбирая мотор-редукторы серии ПР3, вы получаете:

  • Высокую энергоэффективность
    Минимальные потери мощности благодаря оптимизированной зубчатой передаче;
  • Компактность и удобный монтаж
    Возможность установки в ограниченном пространстве;
  • Долговечность
    Надежные материалы и прецизионная обработка элементов обеспечивают длительный срок службы;
  • Широкую сферу применения
    Мотор-редукторы этого типа подходят для множества отраслей промышленности;
  • Простоту в обслуживании
    Удобный доступ к компонентам для технического осмотра и ремонта.

Эти преимущества делают редукторы серии ПР3 надежным и экономичным решением для промышленных предприятий.

Наше предложение

Компания "Промышленные редукторы" предлагает мотор-редукторы серии ПР3 с гарантией качества и выгодными условиями сотрудничества.

Мы обеспечиваем:

  • Оригинальное оборудование высокого качества.
  • Подбор редукторов под индивидуальные задачи клиента.
  • Быструю доставку в любой регион.
  • Техническую поддержку и консультации.

Обратитесь к нам, и мы поможем вам выбрать оптимальное оборудование для вашего производства!

Ключевые преимущества редукторов серии ПР

Закалённые шестерни - твёрдость 56-62 HRC
Высокочастотная закалка и цементация повышают прочность и износостойкость зубчатых передач.
Идеальная геометрия зацепления - 6-я степень точности
Шлифовка зубьев обеспечивает высокую точность зацепления (6-я степень), снижает шум и вибрации и делает работу редуктора более плавной и стабильной.
Долговечность - 7-10 лет срока службы
Средний срок эксплуатации редукторов серии ПР составляет 7–10 лет 
при правильной эксплуатации.
Инженерная поддержка 
и документация
Предоставляем 3D-модели, подробную техническую документацию и чертежи 
на нашу продукцию - удобно для проектирования, согласований 
и замены оборудования.

Команда экспертов
по приводной технике

Наши менеджеры специализируются на подборе редукторов под ваши задачи. В среднем 4 из 5 технических вопросов вы сможете решить напрямую с персональным менеджером. Если ситуация требует более глубокого анализа - мы оперативно подключаем инженера.

Мы не просто продаём редукторы — нам доверяют, потому что решаем задачи быстро и точно

Быстрый и беcплатный подбор редукторов от 1 часа
Быстрый и беcплатный подбор редукторов от 1 часа
Расчеты делают инженеры с опытом 10+ лет в отрасли.
Доставка точно в срок
Доставка точно в срок
Бесплатно упакуем в усиленную обрешетку
и доставим до терминала ТК.
Гарантия 24 месяцев и полная ответственность за заводской брак
Гарантия 24 месяцев и полная ответственность за заводской брак
Осуществим ремонт и послепродажное обслуживание.

Фото отгрузок

Вопрос-ответ

Какие меры необходимы для увеличения срока службы редуктора?
Для продления срока службы редуктора рекомендуется соблюдать режимы работы, регулярно проводить техническое обслуживание и использовать рекомендованное масло. Наши редукторы поставляются с инструкциями по обслуживанию, чтобы обеспечить надежную и долговечную работу.
Как выбрать редуктор, подходящий для конкретного оборудования?
При выборе редуктора важно учитывать такие параметры, как мощность, передаточное число, тип нагрузки и условия эксплуатации. Наши специалисты помогут вам подобрать оптимальный редуктор для вашего оборудования, учитывая все особенности и требования.

Читайте наши статьи о мотор-редукторах и их применении

Подберём редуктор под вашу задачу
80% технических вопросов решаются сразу, при необходимости быстро подключаем инженера.

Оставьте свои контактные данные и наши специалисты свяжутся с вами в течение 15 минут.
Оформить заявку
Максим Новиков
Менеджер по подбору редукторов с опытом более 5 лет.

Мы используем cookies

Мы используем cookies для улучшения работы сайта и предоставления персонализированного контента. Продолжая использовать наш сайт, вы соглашаетесь на использование cookies. Подробности можно найти в Политике конфиденциальности.