Мотор-редукторы ПР 217 по выгодной цене от производителя в Миассе
Характеристики:
  • Мощность двигателя, кВт от 0.18 до 11.00
  • Обороты на выходе n вых, об/мин от 3.1 до 336.0
  • Передаточное число, U от 4.3 до 281.7
Все характеристики
Оставить заявку
Возможна поставка только редукторной части без электродвигателя. Уточняйте у менеджеров более подробную информацию.

Полный аналог редукторов мировых брендов

  • 95% совместимость без доработок
  • Цена выгоднее на 30-40%
  • Срок производства 3-7 дней
Получите бесплатную консультацию по подбору оборудования
Номер для связи:
WhatsApp и Telegram
Описание
Характеристики
Подобрать редуктор
Доставка и оплата
3D модель
Аналоги
Техническая документация
Чертеж

Универсальные цилиндрические мотор-редукторы ПР 217 предназначены для применения в приводах различных машин и механизмах для изменения крутящих моментов и частоты вращения.

При использовании электродвигателей с числом оборотов 3000 об/мин со всеми передаточными числами и 1500 об/мин с передаточными числами редуктора до 15 возможно появление повышенного шума и вибрации. Рекомендуем не использовать данные сочетания оборотов электродвигателя и передаточных чисел.

Мощность двигателя, кВт от 0.18 до 11.00
Обороты на выходе n вых, об/мин от 3.1 до 336.0
Передаточное число, U от 4.3 до 281.7
Консольная нагрузка Fном, Н от 13300 до 29200
Сервис-фактор, Sfном от 0.8 до 4.7
Обороты двигателя n вх, об/мин от 900 до 1400
Тип
Плоско-цилиндрический
Выбрать...
Габарит редуктора
ПР 217
ПР 217 ПР 113
Выбрать...
Мощность двигателя, кВт
От
До
Обороты на выходе n вых, об/мин
От
До
Крутящий момент на вых. валу Тном, Нхм
От
До
Передаточное число, U
От
До
Консольная нагрузка Fном, Н
От
До
Сервис-фактор, Sfном
От
До
Обороты двигателя n вх, об/мин
От
До
Доставка

Сроки: Доставка по России в среднем занимает от 3 до 10 рабочих дней, но может варьироваться в зависимости от региона. Для удалённых регионов, таких как Западная Якутия, сроки согласовываются индивидуально.

Условия отгрузки: Отгрузка с производства и передача в транспортную компанию осуществляется в день готовности заказа.

Способы доставки: Доставка осуществляется исключительно транспортными компаниями. Бесплатно доставляем заказ до терминала ТК.

Стоимость доставки: Рассчитывается индивидуально и зависит от региона, веса и габаритов товара.

Оплата

Способы оплаты: Только безналичный расчёт.

Оплата производится согласно согласованным условиям поставки.

Если требуется дополнительная информация, уточните у нашего менеджера!

Доступные способы доставки

  1. Доставка до терминала в городе получателя

    Вы выбираете нужную транспортную компанию, мы отправляем заказ, а вы забираете его с ближайшего терминала в вашем городе. Это удобно, если рядом с вами есть отделение — можно забрать в удобное время и не переплачивать за адресную доставку.

  2. Адресная доставка до получателя

    Не нужно думать, как организовать перевозку тяжелого оборудования — мы всё сделаем за вас. Привезём редуктор точно по адресу: на производство или прямо на объект. Учитываем особенности груза и условия транспортировки, чтобы доставка прошла быстро, удобно и без лишней суеты.

  3. Самовывоз с терминала Деловые Линий или ПЭК в Челябинске

    Для клиентов из Челябинска доступен самовывоз с терминала транспортной компании. Информация о дате и точке выдачи передаётся заранее. Процесс организован максимально просто и понятно: получение груза — без задержек и лишних действий.

Транспортные компании

Справочник характеристик габарита и веса моделей ПР

Чтобы получить данные по габаритам и весу редукторов серии ПР, воспользуйтесь справочником характеристик габарита и веса моделей ПР.

Посчитайте предварительную стоимость доставки редуктора.

Общий объем: 0 м3
Общая масса: 0 кг
Тип редуктора Количество Габаритные размеры, мм Объем, м³ Масса, кг
L В Н
ПР213 без двигателя 294 250 315 0.0180 13
ПР213 с двигателем 460 250 338.50 0.0390 36
ПР214 без двигателя 327 250 353.10 0.0290 18
ПР214 с двигателем 493 250 374.60 0.0460 41
ПР215 без двигателя 400 300 411 0.0500 25
ПР215 с двигателем 576 300 434 0.0750 64
ПР216 без двигателя 421 300 434.50 0.0550 31
ПР216 с двигателем 597 300 457.50 0.0820 70
ПР217 без двигателя 526 350 525 0.0970 55
ПР217 с двигателем 712 350 543 0.1350 138.50
ПР218 без двигателя 612 400 621.70 0.1500 96
ПР218 с двигателем 864 400 681.70 0.2360 266
ПР219 без двигателя 684 400 710 0.1900 157
ПР219 с двигателем 986 400 770 0.3040 347
ПР2110 без двигателя 767 450 782.40 0.2700 241
ПР2110 с двигателем 1144 450 857.40 0.4410 491
ПР2112 без двигателя 913 660 987.60 0.6000 401
ПР2112 с двигателем 1683 660 1017.60 1.1300 881
ПР2115 без двигателя 990 660 1107 0.7200 632
ПР2115 с двигателем 2110 660 1227 1.7100 1672
ПР215/113 без двигателя 740 300 411 0.09 45.78
ПР215/113 с двигателем 1040 300 411 0.13 69
ПР216/113 без двигателя 761 300 434.5 0.099 51.78
ПР216/113 с двигателем 1061 300 434.5 0.14 75
ПР217/113 без двигателя 866 350 525 0.16 75.78
ПР217/113 с двигателем 1166 350 525 0.21 99
ПР218/115 без двигателя 1052 400 621.7 0.26 132.8
ПР218/115 с двигателем 1452 400 621.7 0.36 202.8
ПР219/115 без двигателя 1124 400 770 0.35 139.8
ПР219/115 с двигателем 1524 400 770 0.47 263.8
ПР2110/117 без двигателя 1297 450 782.4 0.46 294.8
ПР2110/117 с двигателем 1717 450 782.4 0.6 378.3
ПР2112/117 без двигателя 1443 660 987.6 0.94 454.8
ПР2112/117 с двигателем 1863 660 987.6 1.21 538.3
ПР2112/118 без двигателя 1513 660 987.6 0.97 499.8
ПР2112/118 с двигателем 2033 660 987.6 1.32 669.8
ПР2115/119 без двигателя 1700 660 1107 1.24 782
ПР2115/119 с двигателем 2270 660 1107 1.66 972

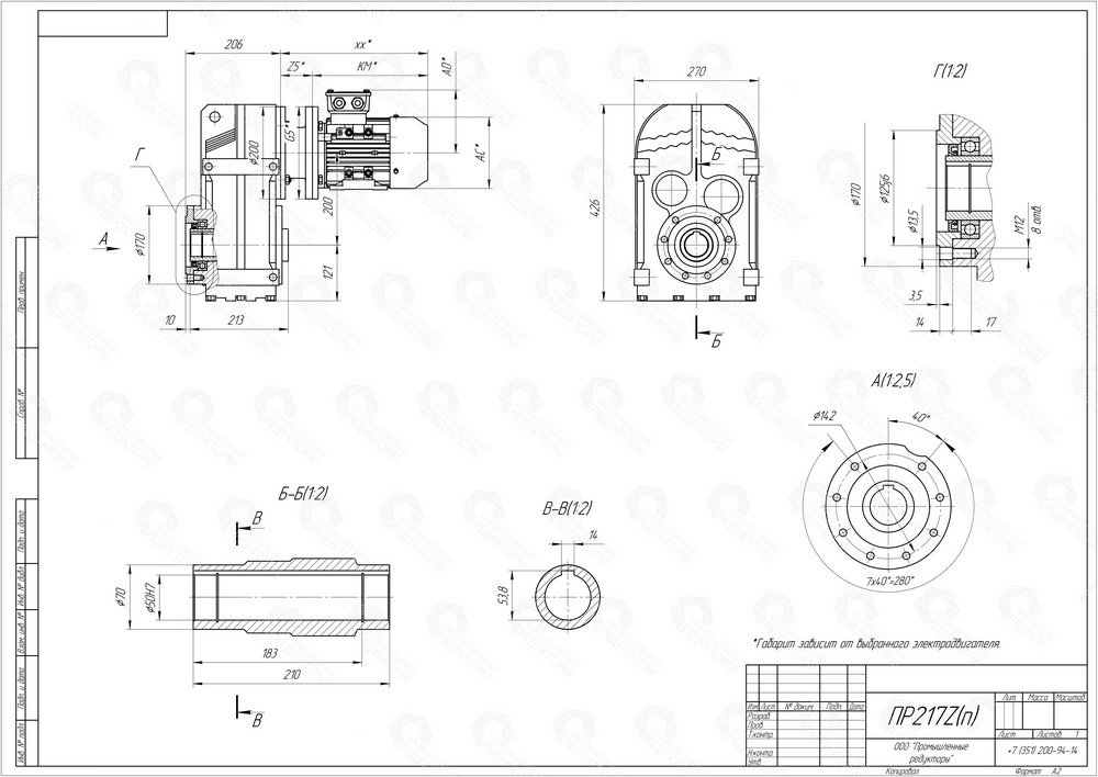
Чертеж в разобранном виде

Foto_21_7
  1. Электродвигатель
  2. Гайка
  3. Винт
  4. Шпонка
  5. Уплотнение
  6. Шпилька
  7. Сальник
  8. Сапун/пробка для масла
  9. Подшипник
  10. Зубчатое колесо
  11. Шпонка
  12. Вал-шестерня
  13. Подшипник
  14. Стопорное кольцо
  15. Заглушка
  16. Подшипник
  17. Втулка
  18. Зубчатое колесо
  19. Шпонка
  20. Вал-шестерня
  21. Подшипник
  22. Регулировочная прокладка
  23. Кольцо стопорное
  24. Заглушка
  25. Выходной фланец
  26. Сальник
  27. Крепежные винты фланца
  28. Уплотнительное кольцо
  29. Подшипник
  30. Дистанционная втулка
  31. Зубчатое колесо
  32. Шпонка
  33. Выходной вал
  34. Винт крышки
  35. Крышка
  36. Прокладка
  37. Корпус редуктора
  38. Подшипник
  39. Кольцо дистанционное
  40. Стопорное кольцо
  41. Стопорное кольцо для подшипника
  42. Приводная шестерня
  43. Сальник

Коническо-цилиндрический мотор-редуктор ПР 217. Полый выходной вал со шпоночным пазом. Монтаж редуктора c помощью крепежных отверстий на корпусе редуктора, либо на вал оборудования

Коническо-цилиндрический мотор-редуктор ПР 217. Полый выходной вал со шпоночным пазом. Монтаж редуктора c помощью крепежных отверстий на корпусе редуктора, либо на вал оборудования

Коническо-цилиндрический мотор-редуктор ПР 217. Полый выходной вал со шпоночным пазом. Монтаж редуктора с помощью фланца на выходном валу (типоразмер выходного фланца B5)

Коническо-цилиндрический мотор-редуктор ПР 217. Полый выходной вал со шпоночным пазом. Монтаж редуктора с помощью фланца на выходном валу (типоразмер выходного фланца B5)

Коническо-цилиндрический мотор-редуктор ПР 217. Выходной цилиндрический вал. Монтаж редуктора с помощью фланца на выходном валу (типоразмер выходного фланца B5)

Коническо-цилиндрический мотор-редуктор ПР 217. Выходной цилиндрический вал. Монтаж редуктора с помощью фланца на выходном валу (типоразмер выходного фланца B5)

Коническо-цилиндрический мотор-редуктор ПР 217. Выходной цилиндрический вал. Монтаж редуктора c помощью крепежных отверстий на корпусе редуктора

Коническо-цилиндрический мотор-редуктор ПР 217. Выходной цилиндрический вал. Монтаж редуктора c помощью крепежных отверстий на корпусе редуктора

Коническо-цилиндрический мотор-редуктор ПР 217. Полый выходной вал со шпоночным пазом. Монтаж редуктора с помощью фланца на выходном валу (типоразмер выходного фланца B14)

Коническо-цилиндрический мотор-редуктор ПР 217. Полый выходной вал со шпоночным пазом. Монтаж редуктора с помощью фланца на выходном валу (типоразмер выходного фланца B14)

Коническо-цилиндрический мотор-редуктор ПР 217. Полый выходной вал со шпоночным пазом. Монтаж редуктора c помощью крепежных сквозных отверстий на корпусе редуктора, либо на вал оборудования

Коническо-цилиндрический мотор-редуктор ПР 217. Полый выходной вал со шпоночным пазом. Монтаж редуктора c помощью крепежных сквозных отверстий на корпусе редуктора, либо на вал оборудования

Аналог редукторов

Мотор-редукторы ПР 217 — это высококлассный аналог редукторов ведущих мировых брендов, таких как Sew-Eurodrive, Bauer, Bonfiglioli, Motovario и Nord. Он сочетает надёжность, долговечность и совместимость с большинством промышленных установок, обеспечивая эффективную замену импортных моделей.

Ключевые преимущества редукторов серии ПР

Закалённые шестерни - твёрдость 56-62 HRC
Высокочастотная закалка и цементация повышают прочность и износостойкость зубчатых передач.
Идеальная геометрия зацепления - 6-я степень точности
Шлифовка зубьев обеспечивает высокую точность зацепления (6-я степень), снижает шум и вибрации и делает работу редуктора более плавной и стабильной.
Долговечность - 7-10 лет срока службы
Средний срок эксплуатации редукторов серии ПР составляет 7–10 лет 
при правильной эксплуатации.
Инженерная поддержка 
и документация
Предоставляем 3D-модели, подробную техническую документацию и чертежи 
на нашу продукцию - удобно для проектирования, согласований 
и замены оборудования.

Команда экспертов
по приводной технике

Наши менеджеры специализируются на подборе редукторов под ваши задачи. В среднем 4 из 5 технических вопросов вы сможете решить напрямую с персональным менеджером. Если ситуация требует более глубокого анализа - мы оперативно подключаем инженера.

Мы не просто продаём редукторы — нам доверяют, потому что решаем задачи быстро и точно

Быстрый и беcплатный подбор редукторов от 1 часа
Быстрый и беcплатный подбор редукторов от 1 часа
Расчеты делают инженеры с опытом 10+ лет в отрасли.
Доставка точно в срок
Доставка точно в срок
Бесплатно упакуем в усиленную обрешетку
и доставим до терминала ТК.
Гарантия 24 месяцев и полная ответственность за заводской брак
Гарантия 24 месяцев и полная ответственность за заводской брак
Осуществим ремонт и послепродажное обслуживание.

Фото отгрузок

Вопрос-ответ

Какие меры необходимы для увеличения срока службы редуктора?
Для продления срока службы редуктора рекомендуется соблюдать режимы работы, регулярно проводить техническое обслуживание и использовать рекомендованное масло. Наши редукторы поставляются с инструкциями по обслуживанию, чтобы обеспечить надежную и долговечную работу.
Как выбрать редуктор, подходящий для конкретного оборудования?
При выборе редуктора важно учитывать такие параметры, как мощность, передаточное число, тип нагрузки и условия эксплуатации. Наши специалисты помогут вам подобрать оптимальный редуктор для вашего оборудования, учитывая все особенности и требования.

Читайте наши статьи о мотор-редукторах и их применении

Подберём редуктор под вашу задачу
80% технических вопросов решаются сразу, при необходимости быстро подключаем инженера.

Оставьте свои контактные данные и наши специалисты свяжутся с вами в течение 15 минут.
Оформить заявку
Максим Новиков
Менеджер по подбору редукторов с опытом более 5 лет.

Мы используем cookies

Мы используем cookies для улучшения работы сайта и предоставления персонализированного контента. Продолжая использовать наш сайт, вы соглашаетесь на использование cookies. Подробности можно найти в Политике конфиденциальности.