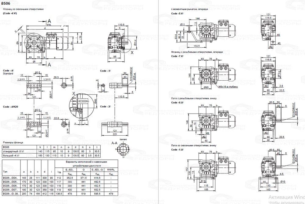
Червячный мотор-редуктор Bauer BS 06
- Мощность двигателя, кВт от 0.18 до 1.5
- Обороты на выходе n вых, об/мин от 9 до 373.3
- Крутящий момент на вых. валу Тном, Нхм от 33 до 171
Производим редукторы под собственной маркой ПР - полные аналоги Bauer BS 06
- 95% совместимость без доработок
- Быструю поставку со склада
- Привлекательную цену без потери качеств
Редуктор BS 06 от немецкого производителя Bauer представляет собой высокотехнологичное решение для передачи мощности в различных промышленных приложениях. Этот агрегат отличается высокой степенью надежности и долговечности, что обеспечивается использованием высококачественных материалов и современных технологий производства. Редуктор BS 06 способен выдерживать значительные нагрузки благодаря оптимизированной конструкции и точной обработке деталей. Внутренние компоненты, такие как валы и подшипники, изготовлены из специальных сплавов, что гарантирует их устойчивость к износу и коррозии. Благодаря этому, редуктор BS 06 обеспечивает стабильную и эффективную работу в самых сложных условиях эксплуатации, что делает его идеальным выбором для промышленных предприятий.
Одним из ключевых преимуществ редуктора BS 06 является его высокая энергоэффективность. Оптимизированная геометрия зубчатых передач и использование современных смазочных материалов минимизируют потери энергии, что позволяет значительно снизить эксплуатационные расходы. Редуктор BS 06 также отличается низким уровнем шума и вибраций, что способствует созданию комфортных условий труда и снижению износа оборудования. Простота обслуживания и возможность быстрой замены изношенных компонентов делают редуктор BS 06 удобным в эксплуатации и экономичным в долгосрочной перспективе. Высокое качество сборки и строгий контроль на всех этапах производства обеспечивают стабильную работу редуктора BS 06 в течение длительного времени, что подтверждается многочисленными положительными отзывами от пользователей.
Сроки: Доставка по России в среднем занимает от 3 до 10 рабочих дней, но может варьироваться в зависимости от региона. Для удалённых регионов, таких как Западная Якутия, сроки согласовываются индивидуально.
Условия отгрузки: Отгрузка с производства и передача в транспортную компанию осуществляется в день готовности заказа.
Способы доставки: Доставка осуществляется исключительно транспортными компаниями. Бесплатно доставляем заказ до терминала ТК.
Стоимость доставки: Рассчитывается индивидуально и зависит от региона, веса и габаритов товара.
Способы оплаты: Только безналичный расчёт.
Оплата производится согласно согласованным условиям поставки.
Если требуется дополнительная информация, уточните у нашего менеджера!
Доступные способы доставки
- Доставка до терминала в городе получателя
Вы выбираете нужную транспортную компанию, мы отправляем заказ, а вы забираете его с ближайшего терминала в вашем городе. Это удобно, если рядом с вами есть отделение — можно забрать в удобное время и не переплачивать за адресную доставку.
- Адресная доставка до получателя
Не нужно думать, как организовать перевозку тяжелого оборудования — мы всё сделаем за вас. Привезём редуктор точно по адресу: на производство или прямо на объект. Учитываем особенности груза и условия транспортировки, чтобы доставка прошла быстро, удобно и без лишней суеты.
- Самовывоз с терминала Деловые Линий или ПЭК в Челябинске
Для клиентов из Челябинска доступен самовывоз с терминала транспортной компании. Информация о дате и точке выдачи передаётся заранее. Процесс организован максимально просто и понятно: получение груза — без задержек и лишних действий.
Мотор-редуктор Bauer BS 06
Ключевые преимущества редукторов серии ПР
Видео-отзывы
Ознакомиться с отзывами
Команда экспертов
по приводной технике
Луканина Наталья
Руководитель отдела продаж
Шишук Виктория
Руководитель фронт-линии
Сиражетдинов Дмитрий
Руководитель отдела клиентского сервиса
Снигир Олег
Ведущий менеджер по продажам
Киселев Егор
Менеджер по продажам
Друченко Александр
Менеджер по продажам
Новиков Максим
Менеджер по продажам
Тыщенко Иван
Менеджер по продажам
Уржунцев Александр
Менеджер по продажам
Мы не просто продаём редукторы — нам доверяют, потому что решаем задачи быстро и точно
Вопрос-ответ
Читайте наши статьи о мотор-редукторах и их применении
Оставьте свои контактные данные и наши специалисты свяжутся с вами в течение 15 минут.